Нажмите кнопку, чтобы выбрать интересующую вас часть:
Часть 1
Часть 2
Часть 3
Часть 4
Часть 5.
Часть 6
Часть 2: Инструкция по подключению BCL3766
Внешняя плата ввода-вывода BCL3766 устанавливается на направляющие, а также может быть установлена стационарно. Ее внешние размеры составляют 315 мм * 128 мм, с интерфейсами DM62M и DB37M на двух сторонах, соответствующими разъемам JP1 и JP2 микросхемы BMC1604V2. Кабель C62-2 используется для подключения интерфейса DB62 внешней платы ввода-вывода к порту JP1 на обратной стороне платы управления. Интерфейс JP2 соединяется проводом C37-40 и затем крепится к монтажному приспособлению компьютера болтами. Кабель C37-2 используется для подключения разъема DB37 на внешней плате ввода-вывода.

Четыре интерфейса DB15M в верхнем левом углу представляют собой сигналы сервоуправления, соответствующие осям X, Y и W соответственно, слева направо. При использовании в качестве двухприводного портального механизма ось W соответствует оси Y2. При использовании для резки труб ось W является осью вращения.
Клеммы высокого и низкого уровней в левом нижнем углу соответствуют, соответственно, сигналам ограничения и начала координат осей X и Y. Клеммы высокого и низкого уровней в правом верхнем углу являются входами начала координат и ограничения оси W, а также общим входным интерфейсом, при этом все клеммы низкого уровня имеют пробитие и являются заземлением COM, то есть 0 В.
Интерфейс в правом нижнем углу имеет 20 общих выходов, из которых 8 являются релейными, а 12 — выходами MOSFET. Первые 4 из 8 релейных выходов имеют только нормально разомкнутые контакты, вторые 4 выхода имеют нормально разомкнутые контакты, а вторые 4 выхода имеют нормально разомкнутые и нормально замкнутые контакты. Восьмой выход MOSFET — это общий катодный выход на 24 В.
Три двухконтактных разъема справа вверху предназначены для одного ШИМ-сигнала и двух аналоговых сигналов ЦАП.
DIP-переключатель:
Ниже аналоговых сигналов ШИМ и ЦАП расположен 4-битный DIP-переключатель. Его использование показано ниже:
Первый бит (P1) и второй бит (P2) 4-битного DIP-переключателя выбирают ШИМ-напряжение.
[wptm id=31]
2.2 Тип сигнала
2.2.1 Входные сигналы
Входные сигналы включают: концевой, исходный и общий вход. Вход платы BMC1604 V2 имеет активный низкий уровень: поддерживаются нормально разомкнутый и нормально замкнутый режимы (полярность входного порта можно изменить с помощью “инструмента настройки платформы” программного обеспечения CypCut). При нормально разомкнутом состоянии входной порт и пробитие 0 В активны; при нормально замкнутом состоянии активен разрыв 0 В.
Полярность входного порта можно изменить с помощью аппаратной перемычки. В настоящее время эту функцию поддерживают входные порты IN13, IN14 и IN15. Перемычка имеет два состояния: ACT_LOW, как показано на рисунке, что означает, что активен низкий уровень (активно входное напряжение 0 В); ACT_HIGH, как показано на рисунке, что означает, что активен высокий уровень (активно входное напряжение 24 В). Состояние по умолчанию — ACT_LOW.

Типичная схема подключения оптоэлектронного переключателя показана ниже; для его работы необходимо использовать переключатель на 24 В типа NPN (низкий уровень активен).

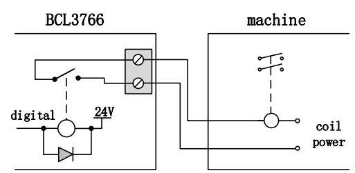
Типичная схема подключения контактного выключателя показана ниже:

Типичная схема подключения магнитного выключателя показана ниже; для его работы необходимо использовать выключатель на 24 В типа NPN.

2.2.2 Выходные сигналы реле
Допустимая нагрузка на выходной контакт реле на внешней плате ввода-вывода составляет: 240 В переменного тока/5 А, 30 В постоянного тока/5 А. Управляемая малая нагрузка — 220 В переменного тока. При подключении к большой нагрузке контактор следует подключать извне.
Схема подключения релейного выхода и контактора показана ниже:

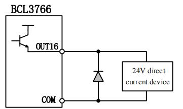
2.2.3 Выходные сигналы MOSFET
Имеется OUT9~OUT20, всего 12 выходов, выход эмиттера MOSFET на внешней плате ввода-вывода BCL3762-V5.0, и он может напрямую управлять устройством, работающим от постоянного тока 24 В.
Емкость каждого источника тока составляет 500 мА. Типичная схема подключения показана ниже:

2.2.4 Дифференциальные выходные сигналы
Состояние импульсной команды управляющего драйвера: “импульс + направление, отрицательная логика”. Максимальная частота импульсов: 3 МГц. Импульсный режим показан ниже:

Способ вывода дифференциального сигнала показан ниже:

2.2.5 Аналоговые выходные сигналы
На внешней плате ввода-вывода имеется 2 выхода аналогового сигнала 0–10 В.
[wptm id=32]
2.2.6 Выходные сигналы ШИМ
Внешняя плата ввода-вывода BCL3766 имеет один ШИМ-сигнал широтно-импульсной модуляции, который может использоваться для управления средней мощностью волоконного лазера. Уровень ШИМ-сигнала может быть выбран из двух значений: 5 В или 24 В. Коэффициент заполнения составляет 0%~100%, а максимальная несущая частота — 50 кГц. Выходной сигнал ШИМ показан ниже:

Мы настоятельно рекомендуем пользователям последовательно подключать сигнал ШИМ+/- к выходному порту реле (установите его в режим включения сигнала ШИМ+/-), а затем подключать его к лазеру. Это позволит избежать утечки лазерного света в режиме модуляции. Более подробную информацию см. в разделе “Подключение лазера 2.5”. Кроме того, отрегулируйте уровень сигнала ШИМ. Уровень 24 В или 5 В можно выбрать с помощью DIP-переключателя.
2.3 Инструкции для терминала
2.3.1 Внешний источник питания
Внешний источник питания обеспечивает постоянный ток 24 В для платы внешнего ввода-вывода BCL3766. Контакты 24 В и COM входного разъема питания подключены к контактам 24 В и 0 В выходного интерфейса питания соответственно.
2.3.2 Интерфейс сервоуправления
Четыре интерфейса сервоуправления на BCL3766 представляют собой двухрядные разъемы DB15, а их назначение указано ниже:

Ниже приведено описание характеристик сигнала согласованных сервокабельов:
[wptm id=33]
+24В,0В: Подача постоянного тока 24 В для сервопривода; SON:
Выходной сигнал — сигнал включения сервопривода, когда сервопривод включен; ALM:
Сигнал тревоги, прием сигнала тревоги сервопривода;
PUL+, PUL-: Импульсный (PULS), дифференциальный выходной сигнал;
DIR+, DIR-: Направление (DIR), дифференциальный выходной сигнал;
A+, A-, B+, B-, Z+, Z-: трехфазный энкодер, входной сигнал;
Полярность сигналов SON и ALM можно изменить с помощью аппаратной перемычки.

Когда сигнал SON переходит в состояние ACT_LOW, активен низкий уровень (активно входное напряжение 0 В); когда сигнал SON переходит в состояние ACT_HIGH, активен высокий уровень (активно входное напряжение 24 В). Состояние по умолчанию — ACT_LOW.
Когда сигнал ALM переходит в состояние ACT_LOW, активен низкий уровень (активно входное напряжение 0 В); когда сигнал ALM переходит в состояние ACT_HIGH, активен высокий уровень (активно входное напряжение 24 В). Состояние по умолчанию — ACT_LOW.
Для подключения сервоприводов Panasonic, Yaskawa, Mitsubishi и Delta, пожалуйста, обратитесь к разделу “1.3.3 Схема подключения сигнала управления сервоприводом”.
При подключении сервоприводов других производителей, пожалуйста, обратите внимание на следующую информацию:
- Пожалуйста, подтвердите тип сигнала SON, который вы выбираете для драйвера сервопривода, и убедитесь, активен ли низкий уровень сигнала. (То есть, он включен при подключении к 24 В GND.)
- Убедитесь, что параметры драйвера сервопривода установлены следующим образом: тип принимаемого импульсного сигнала — “импульс + направление”.”
- Убедитесь, что на входном клеммном разъеме сервопривода имеется внешний сигнал остановки при столкновении, и какая логика используется для этого сигнала.
- Перед началом пробной эксплуатации сервопривода необходимо подать на внешнюю плату ввода-вывода питание 24 В. Питание 24 В для сервопривода обеспечивается внешней платой ввода-вывода.
- Если драйвер по-прежнему не запускается, убедитесь, что в параметрах драйвера отключено использование функции “запрет положительного и отрицательного ввода”.
- Соедините экранирующий слой сигнальной линии с корпусом сервопривода.
2.3.3 Схема подключения сигнала управления сервоприводом
Система управления движением волоконно-лазерной резки FSCUT2000 использует сигнал “Импульс + Направление” для управления сервоприводом. Максимальная частота отправки импульсов увеличена с прежних 750 кГц до 3 Мп.
Рекомендуется использовать высокоскоростной дифференциальный импульсный сигнал и установить эквивалентное значение импульса сервопривода в диапазоне 1000–2000 для повышения точности интерполяции.

[wptm id=34]

[wptm id=35]

[wptm id=36]


[wptm id=37]

[wptm id=38]




Максимальная частота импульсов в сериях Mitsubishi J3 составляет 1 Мпбит/с.
[wptm id=39]
Примечание:
Указанные выше параметры гарантируют базовые спортивные результаты только при условии правильного подключения проводов, но не обеспечивают точность управления. Для дальнейшей оптимизации результатов, пожалуйста, отрегулируйте жесткость, коэффициент усиления, коэффициент инерции и другие параметры.
Основные параметры настройки Mi Mitsubishi MR-J3 – серии A
2.3.4 Входные данные начала координат и ограничения X-:
Ограничение в направлении минус X, выделенный входной сигнал и низкий уровень активны;
X0: исходный сигнал, выделенный входной сигнал и низкий уровень активны;
X+: ограничение положительного направления X, выделенный входной сигнал и низкий уровень активны;
COM: GND, общий интерфейс для трех вышеуказанных сигналов;
Y-: ограничение в направлении минус Y, выделенный входной сигнал и низкий уровень активны;
Y0: исходный сигнал, выделенный входной сигнал и низкий уровень активны;
Y+: ограничение положительного направления Y, выделенный входной сигнал и низкий уровень активны;
COM: GND, общий интерфейс для трех вышеуказанных сигналов;
W-: ограничение в направлении минус W, выделенный входной сигнал и низкий уровень активны; W0: исходный сигнал, выделенный входной сигнал и низкий уровень активны;
W+: ограничение положительного направления W, выделенный входной сигнал и низкий уровень активны;
COM: GND, общий интерфейс для трех вышеуказанных сигналов;
Входную логику сигналов ограничения и начала координат можно изменить с помощью “инструмента настройки платформы”, входящего в состав программного обеспечения CypCut. Более подробная информация приведена в главе 3 «Инструмент настройки платформы».
2.3.5 Общий ввод
Имеется 15 общих входов (IN1~IN15). Эти 15 общих входов можно настроить как различные пользовательские кнопки или входы сигнализации с помощью “инструмента настройки платформы”, входящего в состав программного обеспечения CypCut. Более подробная информация приведена в главе 3 «Инструмент настройки платформы».
2.3.6 Общий вывод
Имеется 8 релейных выходов с номерами OUT1~OUT8. Эти 8 релейных выходов можно настроить как порты управления, соответствующие функциям “лазер”, “вспомогательный газ”, “контроллер высоты”, “индикаторная лампа” с помощью инструмента настройки платформы, входящего в состав программного обеспечения CypCut. Более подробная информация приведена в главе 3 “Инструмент настройки платформы”.
При выборе внешней платы ввода-вывода BCL3766, помимо 8 релейных выходов, также имеются 12 выходов MOSFET, которые могут напрямую управлять устройствами, работающими от постоянного тока напряжением 24 В.
2.3.7 Аналоговый выход
DA1 и DA2 — это два выхода аналогового сигнала 0–10 В. DA1 и DA2 можно настроить как управляющие сигналы для регулирования пиковой мощности лазера и пропорционального клапана с помощью “инструмента настройки платформы”, входящего в состав программного обеспечения CypCut.
2.3.8 Выход ШИМ
Если тип лазера задан как “волоконный лазер” с помощью “инструмента настройки платформы”, входящего в состав программного обеспечения, то выходной порт ШИМ будет активирован и использован для управления средней мощностью волоконного лазера.
При ШИМ-управлении с использованием напряжения 5 В, вывод 1 четырехразрядного DIP-переключателя выключен, а вывод 2 четырехразрядного DIP-переключателя включен; при необходимости можно выбрать один из выводов: если один из выводов включен, то другой выключен.
При ШИМ-управлении с использованием напряжения 24 В, контакт 1 четырехразрядного DIP-переключателя находится в положении ВКЛ, а контакт 2 четырехразрядного DIP-переключателя — в положении ВЫКЛ; при необходимости можно выбрать один из контактов: если контакт 3 включен, то контакт 4 выключен.
2.4 Схема подключения

2.5 Лазерное соединение
2.5.1 Подключение YAG-лазера
Прямое подключение выходного порта, конфигурация которого представляет собой выходной сигнал лазера, к лазеру, что здесь рассматриваться не будет.
2.5.2 Подключение CO2-лазера
В качестве примера здесь приведен лазер Nanjing KRRASS RAS-2000SM CO2 FAF, а также аналогичные лазеры других производителей.

Примечание:
Часть CO2-лазера также поддерживает режим ШИМ-управления, а конкретную схему подключения можно посмотреть на схеме подключения лазера MAX.
2.5.3 Схема подключения серии IPG-YLR
Если используемый вами лазер поддерживает управление по последовательному интерфейсу или Ethernet, мы настоятельно рекомендуем подключить коммуникационные порты (последовательный или сетевой интерфейс).
Программное обеспечение CypCut, используя последовательную или Ethernet-связь, отслеживает состояние лазера в режиме реального времени и может управлять лазером посредством связи. Реализация включает в себя переключение затвора (излучение), переключение красного цвета (направленный луч), установку пиковой мощности (ток) и другие действия, что избавляет от необходимости подключения аналогового интерфейса для управления пиковой мощностью лазера.
Рекомендуемый сетевой интерфейс для серии IPG-YLR.
Примечание:
- Кнопку дистанционного запуска подключить нельзя, особенно если лазер плохо заземлен. Мы не рекомендуем пользователям добавлять кнопку дистанционного запуска, так как это может легко привести к поломке лазера.
- Управление ШИМ-сигналом 24 В (DIP-переключатель: контакт 1 — ВКЛ, контакт 2 — ВЫКЛ; опционально можно выбрать один из контактов: 3 или 4 — ВКЛ, а другой — ВЫКЛ).
2.5.4 Немецкая версия, схема подключения серии IPG_YLS

Примечание:
- Контакт B2 интерфейса XP1 не может быть подключен к выводу Emission ON, поэтому убедитесь, что входной порт Emission Status установлен на 0 в “инструменте настройки платформы”, что означает, что не будет определяться, открыт затвор или нет.
- Управление ШИМ-сигналом 24 В (DIP-переключатель: контакт 1 — ВКЛ, контакт 2 — ВЫКЛ; опционально можно выбрать один из контактов: 3 или 4 — ВКЛ, а другой — ВЫКЛ).
2.5.5 Схема подключения серии IPG_YLS американской версии
Примечание:
- Контакт B2 интерфейса XP1 не может быть подключен к выводу Emission ON, поэтому убедитесь, что входной порт Emission Status установлен на 0 в “инструменте настройки платформы”, что означает, что не будет определяться, открыт затвор или нет.
- Управление ШИМ-сигналом 24 В (DIP-переключатель: контакт 1 — ВКЛ, контакт 2 — ВЫКЛ);
2.5.6 Схема подключения SPI-500W-R4

Примечание:
- Когда в качестве модулирующего сигнала выбран интерфейс MODINPUTTTL, ШИМ-управление осуществляется при напряжении 5 В (DIP-переключатель: контакт 1 — выключен, контакт 2 — включен; при необходимости можно выбрать один из контактов: 3 или 4 — включен, а другой — выключен).
- Когда модулирующий сигнал выбирает контакт 1 интерфейса ввода/вывода, ШИМ выбирает управление 24 В (DIP-переключатель: контакт 1 — ВКЛ, контакт 2 — ВЫКЛ; опционально можно выбрать один из контактов: 3 или 4 — ВКЛ, а другой — ВЫКЛ).
2.5.7 Схема подключения Bowflex MARS Series

Примечание:
ШИМ-управление лазерным целеуказателем Bowflex с напряжением 24 В (DIP-переключатель: контакт 1 — ВКЛ, контакт 2 — ВЫКЛ);
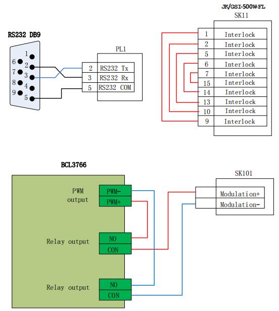
2.5.8 Схема подключения серии JK/GSI-FL

Примечание:
- Несколько проводов на SK11, которые необходимо соединить между собой, могут быть подключены к соответствующему оборудованию для обеспечения блокировки безопасности в соответствии с соответствующей интерпретацией.
- При выборе интерфейса модуляции SK101, ШИМ-управление осуществляется при напряжении 5 В (DIP-переключатель: контакт 1 — выключен, контакт 2 — включен; опционально можно выбрать один из контактов: 3 или 4 — включен, а другой — выключен).
- Когда модулирующий сигнал выбирает 16-й контакт интерфейса PL5, ШИМ выбирает управление 24 В (DIP-переключатель: 1-й контакт — ВКЛ, 2-й контакт — ВЫКЛ; опционально можно выбрать один из контактов — 3-й или 4-й — ВКЛ, а другой — ВЫКЛ).
2.5.9 Схема подключения волоконного лазера Rofin

Примечание:
- На устройстве X720 несколько проводов, которые необходимо заблокировать, позволяют подключить соответствующее оборудование для обеспечения блокировки безопасности в соответствии с соответствующей интерпретацией.
- ШИМ-управление лазером Rofin с выбором напряжения 5 В (DIP-переключатель: контакт 1 — выключен, контакт 2 — включен; опционально можно выбрать один из контактов: 3 или 4 — включен, а другой — выключен).
2.5.10 Схема подключения волоконного лазера Raycus

Примечание:
- Новые лазеры Raycus используют управление по ШИМ-сигналу 24 В, тогда как старые используют ШИМ-сигнал 5 В. Новые лазеры могут управляться через последовательный порт только до тех пор, пока переключатель не перейдет в состояние REM, в то время как переключатель старых лазеров находится в состоянии ON. При включении лазера будет отображаться информация о том, используется ли интерфейс управления 24 В ШИМ; если эта информация отсутствует или не обозначена как 5 В, то можно использовать только режим управления 5 В.
- Управление ШИМ-сигналом 5 В (DIP-переключатель: контакт 1 — выключен, контакт 2 — включен; опционально можно выбрать один из контактов: 3 или 4 — включен, а другой — выключен).
- ШИМ-управление для выбора максимального напряжения лазера 24 В (DIP-переключатель: контакт 1 — ВКЛ, контакт 2 — ВЫКЛ; при необходимости можно выбрать один из контактов: 3 или 4 — ВКЛ, а другой — ВЫКЛ).
2.5.11 Схема подключения лазера Max

Примечание:
- PD+PD- — это выход лазерной сигнализации, подключаемый к любому интерфейсу внешнего интерфейса платы ввода-вывода BCL3766, при этом в разделе “Конфигурация платформы — Сигнализация — Пользовательская сигнализация” устанавливается пользовательское предупреждение о лазерном воздействии (нормально разомкнутое).
- Красный и заземление (GND) для включения лазера могут быть подключены одновременно к любому COM-порту BCL3766.
- ШИМ-управление лазером Max с выбором напряжения 24 В (DIP-переключатель: контакт 1 — ВКЛ, контакт 2 — ВЫКЛ; опционально можно выбрать один из контактов: 3 или 4 — ВКЛ, а другой — ВЫКЛ).
Чтобы узнать больше о наших продуктах, посетите наш сайт и подпишитесь на нашу рассылку. YouTube-канал





